| Availability: | |
|---|---|
3300/50-02-01-00-00
Bently Nevada
Bently Nevada 3300/50 Tachometer - Technical Overview
1. Product Introduction
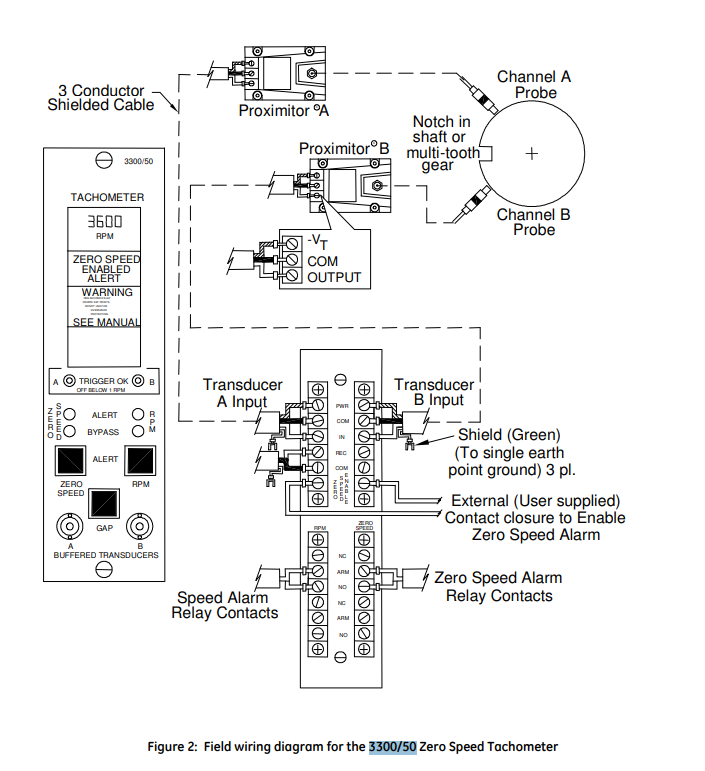
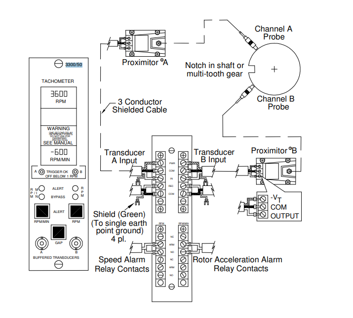
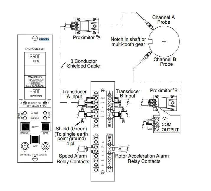
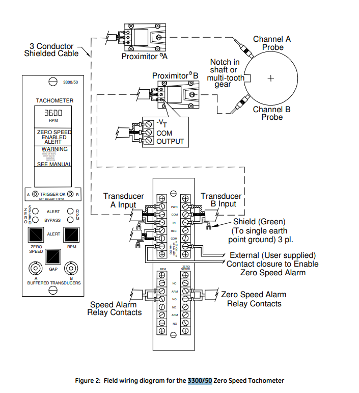
The 3300/50 Tachometer is a key component of Bently Nevada’s Asset Condition Monitoring suite, designed for continuous real-time measurement of shaft rotational speed, rotational acceleration, and zero-speed detection in industrial machinery.

2. Core Functionalities
2.1 Measurement & Input Capabilities
Dual Transducer Support: Accepts inputs from two transducers (e.g., Bently Nevada speed probes) with built-in voting logic—minimizes false indications if a single transducer fails.
Outputs: Provides proportional analog voltage/current outputs (rear terminal strip) and relay-based status alerts (ALERT, DANGER). Also features zero-speed detection functionality.
2.2 Front-Panel Interface
Meter Display: Analog meter shows real-time shaft speed (scalable range).
Status Indicators: LEDs for OK, ALERT, DANGER, and BYPASS statuses for at-a-glance system health monitoring.
Buffered Outputs: Two buffered, isolated outputs for signal distribution to external systems.
3. Critical Application Warnings
Not for Speed Control/Overspeed Protection: The 3300/50 is not designed for speed control or overspeed protection applications. For reliable overspeed protection, use Bently Nevada’s 3300/53 or 3500/53 Electronic Overspeed Detection Monitors.
Analog Output Limitation: The analog proportional output is suitable only for data logging or chart recording—not for control systems.
Alert Setpoints: Speed alert setpoints are intended for annunciation purposes only, not for protective action.
4. Installation & Use Considerations
Transducer Voting Logic: Built-in logic ensures reliable operation even if one transducer fails, enhancing measurement integrity.
Misuse Risks: Failing to adhere to these warnings may result in equipment damage or bodily injury. Always use purpose-built overspeed protection modules for safety-critical applications.
For detailed specifications, wiring diagrams, or engineering support, consult Bently Nevada’s official documentation or technical services.



Don't miss out on our latest offers ,contact us >>>
sales manager:Cheryl Qi
Email:chen@htechplc.com
Phone/Whatsapp:+8618150137565
----(DCS)Distributed Control System
ABB 3AUA0000110429,SYSCON2 746924
Invensys Foxboro FBM214,FBM242,B0123HE
Invensys Triconex 3625,3700A,3604E
Woodword 5462-758B
HIMA F2-DO-16-02,F8650E
Yokogawa SAI143-S03 S1, F9342L-02
Honeywell 51402497-200,51403519-160,51199194-100,CC-PDO801
Emerson KJ4001X1-NB1,12P3368X012
----(PLC)Programmable Logic Controller
Rockwell AB 1734-IB8,1734-OB8,1769-L18ER-BB1B,1756-IM16I
ICS Triplex T8461,T8850,T8403,T8431,T8831,T8310
Schneider Modicon 140DDI85300
GE Fnauc IS210AEPSG2B,IS220UCSAH1A,IS215ACLEH1A,IS210AEAAH1B
Siemen 6ES7331-1KF02-0AB0
Prosoft MVI46-DFNT
Bachmann MPC240
Woodhead 9905-068 2301A
----(TSI)Turbine Supervisory Instrumentation
Bently Nevada 3500/22M,138607-01,3500/25,3500/53,3500/32M 149986-02,
EPRO MMS6110,MMS6120,MMS6220,MMS6312,MMS6410,6423,6424,
ENTEK EK C6622HS,XM124,1440-SDM02-01RA
content is empty!