| Availability: | |
|---|---|
F6217
HIMA
Products information
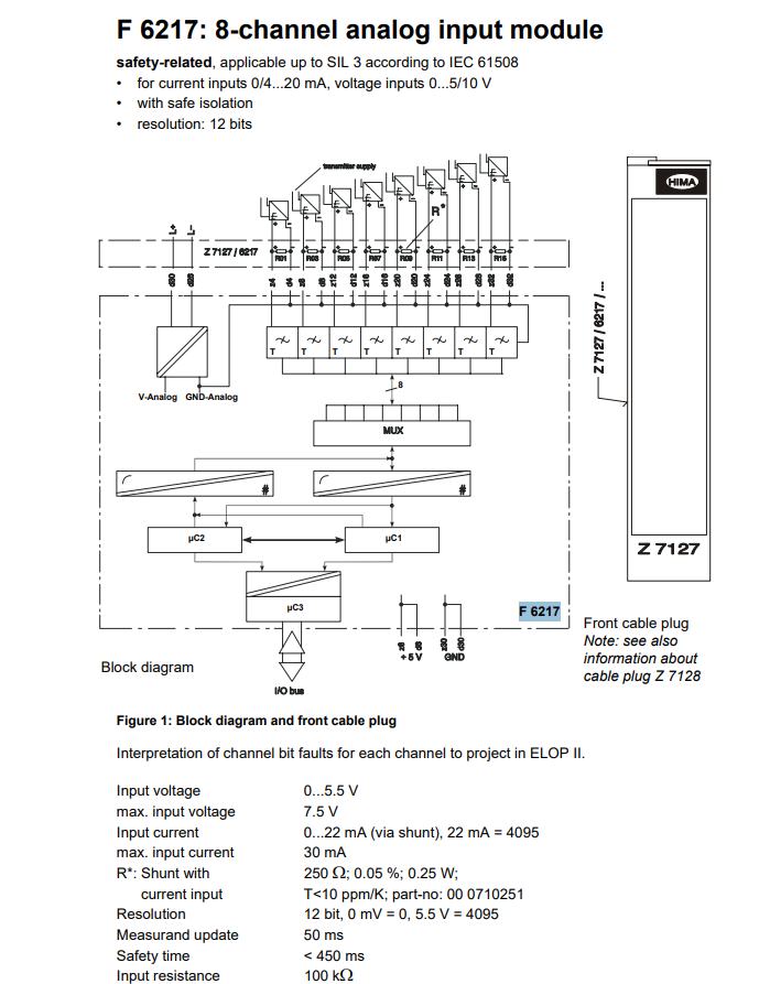
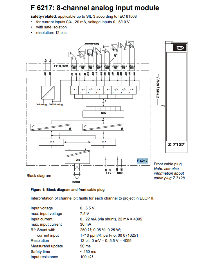
The HIMA F6217 is an 8-channel safety-related analog input module designed for high-reliability industrial applications, compliant with CE certification and rated for safety integrity level (SIL) 3 per IEC 61508. The HIMA F6217 specializes in processing both current (0/4–20 mA) and voltage (0–5 V/0–10 V) inputs with safe isolation, making the HIMA F6217 ideal for safety-critical systems such as process control, emergency shutdown, and condition monitoring in industries like oil & gas, chemical processing, and power generation.
Equipped with a redundant safety-related processor system (three microcontrollers: µC1, µC2, µC3) and a multiplexer (MUX) for channel management, the HIMA F6217 executes automatic in-operation tests to ensure fault detection—including linearity and overflow checks of A/D converters, cross-talk testing between channels, input filter functionality, and I/O bus communication verification. The HIMA F6217 features a 12-bit resolution for precise measurement, with a measurand update rate of 50 ms and a safety time of <450 ms to ensure rapid response to critical signal changes.
The HIMA F6217 supports flexible wiring configurations, including redundant connections for current/voltage inputs (with optional voltage dividers or shunts) and compatibility with screened/twisted cables (e.g., LiYCY 20×0.25 mm², LiYCY 24×0.14 mm²) to minimize electromagnetic interference (EMI). The HIMA F6217 also offers specialized cable plugs (e.g., Z7127 for standard inputs, Z7128 for transmitter supply) and requires specific termination for unused channels (jumpers for voltage inputs, shunts for current inputs) to maintain safety integrity. No routine maintenance is needed for the HIMA F6217—faulty modules are designed for replacement, with channel error bits triggering safety-related reactions (programmed via ELOP II software).


Key Specifications
Parameter | Details |
Input Types & Ranges | - Current Input: 0/4–20 mA (max. 30 mA); 22 mA = 4095 (12-bit full scale)- Voltage Input: 0–5 V/0–10 V (max. 7.5 V); 5.5 V = 4095 (12-bit full scale) |
Shunt Requirements (Current Input) | - Shunt resistor (R*): 250 Ω, 0.05% tolerance, 0.25 W power rating, T<10 ppm/K- Part number: 00 0710251 |
Resolution | 12 bits (0 mV = 0, 5.5 V = 4095 for voltage; 22 mA = 4095 for current) |
Accuracy | - Basic error: 0.1% at 25 °C- Operating error: 0.3% at 0–+60 °C- Safety-related error limit: 1% |
Input Characteristics | - Input resistance: 100 kΩ- Input filter time constant: ~10 ms- Measurand update rate: 50 ms- Safety time: <450 ms |
Electrical Safety | - Safe isolation: Yes- Electric strength: 200 V against GND |
Power Supply | - 5 V DC: 80 mA current draw- 24 V DC: 50 mA current draw |
What can we offer you
1.100% brand new original packaging
2. Large inventory, usually shipped within 1-3 days
3. Competitive prices and real-time quotes
4. Professional services and technical support
5. The warranty period is one year.
6. Strictly test the machine before leaving the factory.
7. Use DHL, UPS FedEx, TNT for transportation

Inquiry me
Sales manager: Cheryl Qi
Email: chen@htechplc.com
Mobile/whatsapp: +8618150137565
Wechat: +8618150137565
Allen Bradley 1756-L62,1756-L63,1746,1747,1756,1769,1794,2711P.. SCHNEIDER 140CPU43412U,140CPU65150,140CPU65160,140CPU,NOE,CRA,CPS,BMX,TCSE.... ABB DSQC(07KT98 WT98,07KT97 WT97,DSQC679,IMASI23,IMDSO14...) Bently Nevada 3500/42M,3500/22M,3500/95.3500/15... HIMA F3330,F3236,F6217,F7126,F8621AESD.... TRICONEX 3805E,3008,3504E,3624,3700A,3721,4351B,4119A.. .. Siemens MOORE 6ES7(1.2.3.4),6ES5,6DD,6DP.... GE IC693CPU363,IC697PWR711,IC693CPU364,IC693,IC697,IC695,IS200,IS215,DS200... WESTINGHOUSE/ , OVATION 1C31194G01,1C31197G01,5X00106G01,1C31125G02 ... FOXBORO FCP270,FBM203,FBM204,FBM217, FMB231..... |
Email:chen@htechplc.com |
---(PLC)Programmable Logic Controller |
----(DCS)Distributed Control System |
---(TSI) |
content is empty!