| Availability: | |
|---|---|
F3330
HIMA
Products information
The HIMA F3330 is an 8-fold safety-related output module designed for use in industrial safety-
critical systems, compliant with TUV and CE certifications. It is engineered to control resistive or
inductive loads up to 500 mA (12 W) and lamp loads up to 4 W, with integrated safety shutdown
functionality and safe isolation to ensure reliable operation in high-risk environments.
This module is a key component in safety instrumented systems (SIS) and distributed control systems
(DCS), suitable for applications such as process shutdown, emergency stop circuits, and critical load
control in industries like oil & gas, chemical processing, and power generation. It features automatic
in-operation testing (including output signal readback and walking-bit testing) to detect faults in real
time, minimizing the risk of undetected failures.
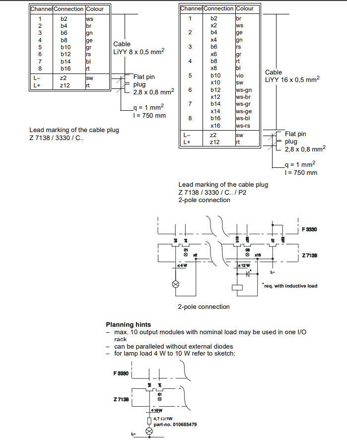
The F3330 supports flexible wiring configurations, with compatible cables (e.g., LiYY 8×0.5 mm², LiYY
16×0.5 mm²) and flat pin plugs (2.8×0.8 mm²), and can be paralleled without external diodes for
expanded load capacity. It also includes specific component requirements for inductive loads (e.g.,
1N4007 or 1N4448 diodes) and legacy capacitor requirements (0.1 µF for releases up to AS01),
ensuring compatibility with diverse load types and system setups.

Key Specifications
Parameter | Details |
Certifications | TUV, CE , |
Safety Class | Requirement class AK 1 ... 6 |
Load Compatibility | - Resistive/inductive load: Up to 500 mA (12 W)- Lamp load: Up to 4 W (4 W–10 W requires 4.7 Ω/1 W resistor, part-no. 010685479) , , |
Supply Voltage & Current | - 5 V DC: 110 mA current draw- 24 V DC: 180 mA current draw (additional load) |
Output Characteristics | - Internal voltage drop: Max. 2 V at 500 mA load- Admissible line resistance (in + out): Max. 11 Ω- Undervoltage tripping: Triggered at ≤16 V (500 mA load)- Short circuit proof: Yes; short circuit current operating point: 0.75–1.5 A- Output leakage current: Max. 350 µA- Output voltage (reset state): Max. 1.5 V- Test signal duration: Max. 200 µs |
Component Requirements | - Inductive loads: 1N4007 (part-no. 268104004) or 1N4448 (part-no. 201104448) diode- Releases up to AS01: 0.1 µF capacitor (part-no. 171112104) , |
Automatic Testing | - Output signal readback (0-signal operating point ≤6.5 V)- Walking-bit test (verifies switching capability, detects cross-talking) , , |
System Compatibility | - Max. 10 nominal-load modules per I/O rack- Parallel operation supported (no external diodes needed) |
What can we offer you
1.100% brand new original packaging
2. Large inventory, usually shipped within 1-3 days
3. Competitive prices and real-time quotes
4. Professional services and technical support
5. The warranty period is one year.
6. Strictly test the machine before leaving the factory.
7. Use DHL, UPS FedEx, TNT for transportation

Inquiry me
Sales manager: Cheryl Qi
Email: chen@htechplc.com
Mobile/whatsapp: +8618150137565
Wechat: +8618150137565
Allen Bradley 1756-L62,1756-L63,1746,1747,1756,1769,1794,2711P.. SCHNEIDER 140CPU43412U,140CPU65150,140CPU65160,140CPU,NOE,CRA,CPS,BMX,TCSE.... ABB DSQC(07KT98 WT98,07KT97 WT97,DSQC679,IMASI23,IMDSO14...) Bently Nevada 3500/42M,3500/22M,3500/95.3500/15... HIMA F3330,F3236,F6217,F7126,F8621AESD.... TRICONEX 3805E,3008,3504E,3624,3700A,3721,4351B,4119A.. .. Siemens MOORE 6ES7(1.2.3.4),6ES5,6DD,6DP.... GE IC693CPU363,IC697PWR711,IC693CPU364,IC693,IC697,IC695,IS200,IS215,DS200... WESTINGHOUSE/ , OVATION 1C31194G01,1C31197G01,5X00106G01,1C31125G02 ... FOXBORO FCP270,FBM203,FBM204,FBM217, FMB231..... |
Email:chen@htechplc.com |
---(PLC)Programmable Logic Controller |
----(DCS)Distributed Control System |
---(TSI) |
content is empty!