| Availability: | |
|---|---|
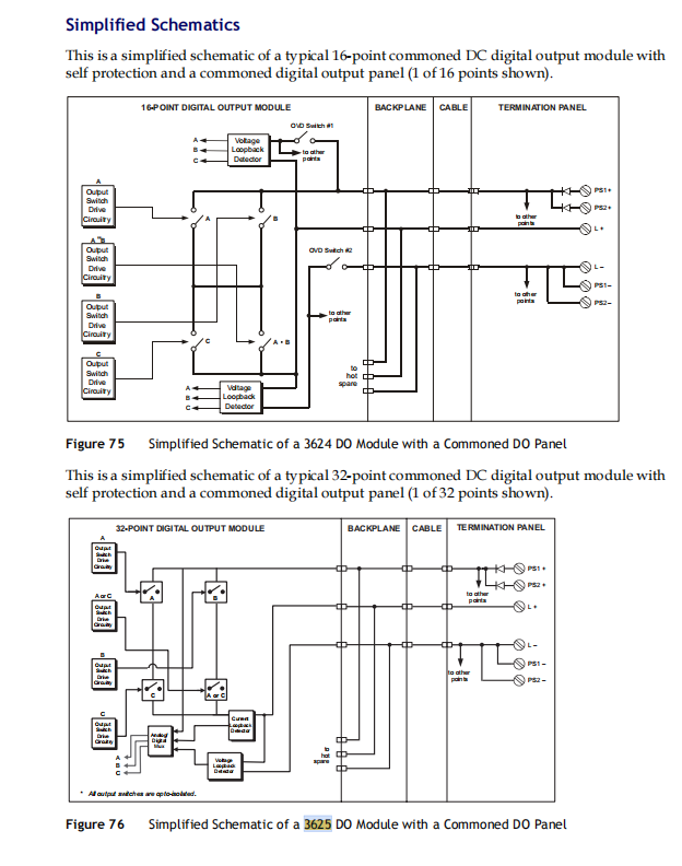
3625
Invensys Triconex
Technical Overview of TRICONEX 3625 Digital Output Module
1. Product Positioning and Core Role
The TRICONEX 3625 is a high-density, 32-channel digital output (DO) module specifically designed for Tricon v9–v10 safety instrumented systems (SIS) and industrial control systems. Developed by Invensys Process Systems (now part of Schneider Electric), it plays a critical role in translating control system commands into actionable signals for field devices—such as valves, pumps, and alarms—in high-reliability industries like oil and gas, petrochemicals, nuclear power, and manufacturing.
Built with a focus on fault tolerance and operational flexibility, the 3625 module supports both supervised and non-supervised output modes, making it adaptable to diverse application requirements (e.g., critical safety vs. general process control). It seamlessly integrates with Tricon’s Triple Modular Redundancy (TMR) architecture, ensuring compliance with IEC 61508 SIL 3 safety standards and minimizing the risk of unplanned downtime.
2. Key Technical Specifications
Category | Detailed Specifications |
Channel Configuration | 32 independent digital output channels; supports grouping for commoned power/return |
Voltage Compatibility | Rated for 24 VDC (field-side); compatible with redundant 24 VDC power supplies |
Output Type | Opto-isolated outputs (galvanic isolation between module and field wiring) |
Current Capacity | Maximum total current per termination panel: 10 A (to limit power dissipation); self-protected circuitry to prevent overload damage |
Operational Modes | Supervised (fault detection enabled) and Non-supervised (standard switching) modes |
Environmental Ratings | Operating temperature: -40°C to 70°C; Storage temperature: -40°C to 85°C; Humidity: 5%–95% (non-condensing) |
Mechanical Design | 3U rack-mount form factor; compatible with Tricon standard I/O slots; supports hot swapping for maintenance |
Safety Compliance | IEC 61508 SIL 3; TÜV-certified for functional safety; galvanic isolation (2500 V AC) between channels and system backplane |
3. Compatibility with Termination Panels & Cables
A core advantage of the 3625 module is its broad compatibility with Tricon’s standardized termination panels and cables, enabling flexible field wiring and integration. The table below outlines approved termination solutions, along with their use cases:
Termination Type | Model Number | Key Features & Application Scenarios |
Commoned Termination Panels | 9662-610 | 16-channel commoned design; ideal for high-density field wiring where multiple channels share a common power/return. Pre-configured for 24 VDC, with built-in protection against short circuits. |
Basic Termination Panels | 9653-610 | Cost-effective 16-channel panel; provides direct terminal blocks for field device connection. Requires external protection (e.g., fuses) for high-current loads. Suitable for non-critical control loops. |
Nonincendive Termination Panels | 9671-610 | Certified for hazardous locations (Zone 2, Class 1 Division 2); limits energy at field terminals to prevent ignition in flammable atmospheres. Recommended for oil refineries, chemical plants, and gas processing facilities. |
Fanned-Out Cables | 9101-010 | 10-foot (3-meter) standard length (custom lengths up to 99 feet available); 50 individually labeled 22-gauge leads for direct field wiring. A low-cost alternative to termination panels for simple installations. |
Critical Compatibility Notes:
Since the 3625 has 32 channels, two termination panels/cables are required per module (e.g., two 9662-610 panels, or one 9653-610 panel + one 9101-010 cable).
Termination panels must be mounted on DIN rails (per DIN 50022) or 19-inch racks (for larger panels like 9671-610), with shield grounding (per Appendix E of the Tricon v9–v10 Field Terminations Guide) to minimize EMI/RFI interference.
4. Operational Modes & Fault Detection Capabilities
The 3625 module’s dual-mode operation and advanced diagnostics make it suitable for both
safety-critical and general-purpose applications:
4.1 Supervised Mode (Safety-Critical Applications)
In supervised mode, the module continuously monitors output integrity to detect faults such
as open circuits, short circuits, and missing loads. Key features include:
Loopback Diagnostics: Verifies that the output signal reaches the field device and returns a confirmation signal (via termination panels with loopback circuitry).
Missing Load Detection: Triggers an alarm if a field device (e.g., a valve solenoid) is disconnected or fails. A 470 Ω, 10 W load resistor must be installed for unused channels to avoid false alarms.
Overcurrent Protection: Self-protected circuitry limits current to prevent damage from overloads or short circuits, eliminating the need for external fuses in most cases.
4.2 Non-Supervised Mode (General Process Control)
For non-critical applications (e.g., status lights, non-safety valves), non-supervised mode simplifies operation by disabling fault detection. This mode reduces unnecessary alarms while maintaining reliable switching performance.
4.3 Status Monitoring
Module LEDs: Front-panel LEDs indicate power status (PWR OK), channel activity (ON/OFF), and fault conditions (e.g., short circuit, open circuit).
System Integration: Fault data is transmitted to the Tricon controller via the backplane bus, enabling real-time monitoring in TriStation 1131 software (the Tricon configuration and programming tool).
5. Field Wiring Guidelines & Best Practices
Proper wiring is critical to ensure the 3625 module’s reliability and compliance with safety standards. Below are key guidelines, based on the Tricon v9–v10 Field Terminations Guide:
5.1 Standard Wiring for 24 VDC Field Devices
Power Connection: Connect redundant 24 VDC power supplies to the termination panel’s common power terminals (PWR+ and PWR–). Use diode OR-ing (factory-installed on compatible panels like 9662-610) to ensure uninterrupted power if one supply fails.
Channel Wiring: For each channel:
Connect the module’s output terminal (e.g., OUT1) to the field device’s positive input.
Connect the field device’s negative return to the termination panel’s common return (RTN) terminal.
Ground the shield of twisted-pair cables at both the panel and field device (per Appendix E) to reduce EMI.
Unused Channels: Install a 470 Ω, 10 W load resistor across unused channels (in supervised mode) to prevent missing-load alarms.
5.2 Wiring for Hazardous Locations (with 9671-610 Panel)
When using the 3625 in Zone 2/Class 1 Division 2 areas:
Use only TÜV-certified nonincendive cables (e.g., 12 AWG twisted-pair with FEP insulation).
Limit cable length to 30 meters (98 feet) to comply with entity parameters (maximum capacitance: 1.16 µF, maximum inductance: 4.96 mH).
Ground the panel’s protective earth (PE) terminal to a dedicated safety ground (not shared with power ground).
6. Typical Application Scenarios
The 3625 module’s versatility makes it suitable for a range of industrial use cases:
Petrochemical Plants: Controlling emergency shutdown (ESD) valves, pump starters, and flame detectors in refining units.
Nuclear Power: Actuating safety-related dampers and alarms (when paired with RG 1.180-compliant termination panels for EMI/RFI protection).
Manufacturing: Switching conveyor belt motors, process heaters, and status indicators in automotive or pharmaceutical production lines.
Oil & Gas Pipelines: Triggering pressure relief valves and flow control actuators in remote pipeline monitoring systems.
7. Maintenance & Troubleshooting
7.1 Routine Maintenance
Hot Swapping: The 3625 supports hot swapping—replace the module without shutting down the Tricon system. Ensure power to the termination panel is disconnected before removal.
Terminal Inspection: Periodically check termination panel screws for tightness (torque: 4.425–5.310 lbf·in for 9662-610/9653-610) to prevent loose connections and arcing.
Firmware Updates: Use TriStation 1131 software to update module firmware, ensuring compatibility with Tricon system upgrades.
7.2 Common Faults & Resolution
Fault Symptom | Possible Cause | Resolution |
Red LED on a channel | Short circuit in field wiring; overloaded output | 1. Disconnect field device and test wiring for continuity. 2. Replace faulty cable or device. 3. Verify load current does not exceed 10 A per panel. |
Flashing "Missing Load" Alarm | Unused channel without load resistor; loose connection | 1. Install 470 Ω resistor on unused channels. 2. Tighten terminal screws and recheck wiring. |
No output signal | Power supply failure; module not seated properly | 1. Test 24 VDC power supplies (check for voltage drop). 2. Reseat the module in the Tricon slot. |
8. Technical Documentation & Compliance References
Primary Manual: Field Terminations Guide for Tricon v9–v10 Systems (Document No. 9720052-018, February 2009) – Details termination panel wiring, pinouts, and safety guidelines.
Safety Certifications: IEC 61508 SIL 3; TÜV Rheinland certification for nonincendive operation (when used with 9671-610 panel).
Configuration Tool: TriStation 1131 v4.3 or later – For module parameter setup (e.g., supervised/non-supervised mode, fault detection thresholds).
Replacement Parts: Refer to Appendix C of the Field Terminations Guide for recommended spares (e.g., fuses, load resistors, and interface cables).
Free consultation
»Sales manager : Cheryl Qi
»Email :chen@htechplc.com
»Wechat :+8618150137565
»Phone/WhatsApp :+8618150137565
Our advantage
✔ High quality
✔ Prompt Delivery
✔ We provide a large number brand-name parts.
✔ We have experienced staff and extensive test facilities.
✔ There are many goods in stock.
✔ We only provide the original new items, 100% make packing and delivery





We have a large stock of products (including)
ABB (DSQC, AC800M,OCS 07KT97/07AI/07DI,PM645,etc)
BENTLY (3500,3300 system sereis)
HONEYWELL (DC 2000, TDC3000, TPS, security systems)
SCHNEIDER (Quantum 140 series: CPU processor, communication module)
FOXBORO (FBM203/204/217,FCP240/270)
EMERSON (DeltaV systems, / O unit, Analog AI module, Analog AO module)
Motorola (VME 162, MVME 167, MVME1772, MVME177)
YOKOGAWA (CS3000 system CPU controller module, analog module)
EPRO (MMS6210/621,PR6423/003-031..)
Rosemount ( pressure transmitter, flow meter..)
etc...
➫●New and Original;Huge discount
➫●Best Price,Good price within limited time
➫●Fast Delivery&One Year Warranty
➫●24/7Service & Free Online Quotes
content is empty!