| Availability: | |
|---|---|
1C31147G01
Emerson Ovation
1C31147G01 Pulse Accumulator Electronics Module: Technical Guide
The 1C31147G01 is a dedicated pulse accumulator electronics module for Emerson’s Ovation Distributed Control System (DCS), designed to accurately count pulses, measure frequency, and detect pulse duration across industrial applications. It supports three distinct pulse input levels to interface with diverse field devices, with specific configurations tailored to compliance and speed requirements. Engineered for reliability in harsh industrial environments, it integrates noise-rejection features and robust isolation to ensure precise data capture. Below is a detailed breakdown of its core specifications, input configurations, compatibility, and integration guidelines—optimized for clarity and industrial usability.




1. Core Function & Key Capabilities
The 1C31147G01 serves as the electronics backbone for pulse-based sensing subsystems, translating raw pulse signals from field devices (such as encoders, sensors, and switches) into actionable data for the Ovation Controller. Its primary functions include:
Pulse Counting: Accumulates pulses from two independent channels until stopped by the controller or an external signal.
Frequency Measurement: Calculates input frequency by counting pulses over a user-defined time period (e.g., for monitoring motor speed).
Pulse Duration Detection: Captures the length of individual pulses or the time between pulses for precision sensing.
Noise Rejection: Features configurable input filters and contact debouncing to eliminate false triggers from industrial noise.
A key advantage is its flexibility to support multiple input levels, eliminating the need for additional signal converters and simplifying integration with various field devices.
2. Supported Pulse Input Levels
The 1C31147G01 accepts three distinct pulse input levels, each designed for specific device types and compliance standards.
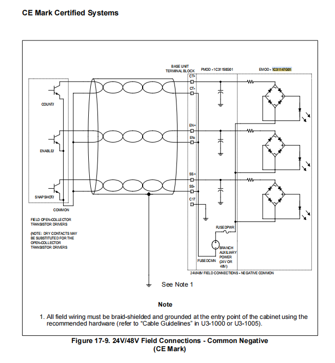
2.1 24/48 VDC Input (CT+ / CT- Terminals)
This input configuration uses CT+ (positive) and CT- (negative) terminals and is CE Mark certified, making it suitable for applications in regions requiring CE compliance. It can be referenced to either the negative or positive common of the field signal power supply, offering wiring flexibility.
Typical Field Devices: Dry contact switches, proximity sensors, and industrial encoders operating on 24/48 VDC.
Performance Details:
Input voltage range: 18–60 VDC (compatible with both 24 VDC and 48 VDC systems).
Count rate: Up to 500 Hz (without debouncing) or 200 Hz (with debouncing enabled) to prevent contact bounce errors.
Input current: 3.0–7.7 mA (ON state); ≤0.9 mA (OFF state) for reliable signal detection.
2.2 12 VDC Medium-Speed Input (MC+ / HM- Terminals)
Utilizing MC+ (positive) and HM- (negative) terminals, this configuration is designed for medium-speed pulse signals but not CE Mark certified. It is intended for non-CE environments where low-voltage, medium-speed sensing is required.
Typical Field Devices: Low-voltage encoders, tachometers, and specialty sensors outputting 12 VDC pulses.
Performance Details:
Input voltage range: 9.75–12.5 VDC (nominal 12 VDC).
Count rate: Up to 20 kHz (without debouncing) for medium-speed applications; 200 Hz (with debouncing).
Input current: 1.5–21.0 mA (ON state); ≤1.5 mA (OFF state).
Input impedance: Optimized for 12 VDC circuits to minimize signal loss.
2.3 5 VDC Medium-Speed Input (HC+ / HM- Terminals)
This configuration uses HC+ (positive) and HM- (negative) terminals for 5 VDC TTL-level pulses and is also not CE Mark certified. It is ideal for high-precision, low-voltage sensing applications.
Typical Field Devices: High-precision optical encoders, digital transducers, and TTL-compatible sensors.
Performance Details:
Input voltage range: 3.9–5.0 VDC (nominal 5 VDC); ≤0.8 VDC (OFF state).
Count rate: Up to 20 kHz (without debouncing); 200 Hz (with debouncing) for medium-speed data capture.
Input current: 1.5–21.0 mA (ON state); ≤1.5 mA (OFF state).
Input impedance: ~250 ohms, matching standard TTL circuit requirements for signal integrity.
3. Technical Specifications
The 1C31147G01 meets industrial-grade standards to ensure durability and consistent performance in harsh operating conditions:
Number of Channels: 2 independent pulse input channels (supports simultaneous counting).
Input Filtering: Configurable filter windows—150–450 µSec for 24/48 VDC inputs, 16–38 µSec for 5/12 VDC inputs.
Contact Debouncing: Adjustable (1.4–2.0 mSec minimum) for 24/48 VDC inputs to eliminate false triggers.
Dielectric Isolation: 1000 V AC/DC (channel-to-channel and channel-to-logic) to prevent electrical interference.
Operating Temperature: 0–60°C (32–140°F).
Storage Temperature: -40–85°C (-40–185°F).
Humidity: 0–95% (non-condensing).
Power Consumption:
Main (logic supply): 1.6 W typical / 2.0 W maximum.
Auxiliary (field supply): 0.17 W (24 VDC) / 0.35 W (48 VDC) typical (50% duty cycle).
Counter Resolution: 15-bit count (bits 14–0); bit 15 (MSB) indicates new data availability.
Overflow Detection: Built-in overflow status flag to alert the controller when count limits are exceeded.
4. Personality Module Compatibility
The 1C31147G01 requires a compatible personality module to define its field interface (power sourcing and signal type). Three options are supported, each tailored to specific wiring and power needs:
4.1 1C31150G01 (Common Negative Ground)
Designed for 24/48 VDC inputs where the field device references the negative common of the branch’s internal auxiliary power supply. It supports low-true inputs (triggered when the signal goes low) and is ideal for dry contacts or open-collector transistor drivers that pull signals to ground.
4.2 1C31150G02 (Common Positive Ground)
For 24/48 VDC inputs referenced to the positive common of the branch’s internal auxiliary power supply. It supports high-true inputs (triggered when the signal goes high) and is suitable for dry contacts that connect signals to the positive supply rail.
4.3 1C31150G03 (Dedicated External Power)
Intended for applications requiring external, dedicated power (independent of the branch’s internal supply). External 24/48 VDC power connects to DSA and DSB terminals on the base unit, and it supports both positive and negative common references for flexible integration.
5. Wiring & Installation Guidelines
Proper wiring is critical for performance, noise rejection, and safety. Below are key guidelines for each input type:
5.1 24/48 VDC Input (CT+ / CT-)
Connect the field device’s positive lead to CT+ and negative lead to CT- (or vice versa, based on common reference).
Use shielded twisted-pair cable for field wiring; ground the shield at the cabinet entry point (per CE EMC requirements).
For 1C31150G03 configurations, install an external 0.63 A, 250 VAC fast-acting fuse in the auxiliary power line to protect against overcurrent.
5.2 12/5 VDC Medium-Speed Inputs (MC+ / HM- or HC+ / HM-)
Match MC+/HC+ to the sensor’s positive output and HM- to the sensor’s ground.
Limit cable length to 1000 feet (305 meters) to prevent voltage drop and signal degradation.
Avoid routing low-voltage cables near high-power AC circuits or motor wiring to minimize electromagnetic interference (EMI).
5.3 General Installation Tips
Mount the module in a standard Ovation I/O base unit (DIN rail-mounted) with adequate ventilation to maintain the 0–60°C operating range.
Insert the personality module first, then the 1C31147G01 electronics module—ensure the blue latches on the electronics module lock securely to the base.
Use the writeable label on the electronics module to mark channel functions (e.g., “Motor Speed #1”) for easy maintenance.
6. Diagnostic Features & Troubleshooting
The 1C31147G01 includes built-in diagnostics to simplify maintenance and reduce downtime:
6.1 Status LEDs
P (Green): Power OK—lit when the +5 VDC logic supply is functional.
C (Green): Communications OK—lit when the module communicates with the Ovation Controller.
I (Red): Internal Fault—lit for errors like microcontroller failures, memory issues, or communication timeouts.
Channel LEDs (Green): Indicate active pulse detection (lit when a valid pulse is received).
6.2 Common Troubleshooting Scenarios
No Pulse Detection: Check wiring continuity, verify the personality module matches the power reference (common positive/negative), and confirm the input signal meets voltage/current specs.
False Counts: Enable contact debouncing (via controller configuration) or adjust the input filter to reject noise. Ensure shielded wiring is properly grounded.
Overflow Alerts: Reset the counter via the Ovation Controller or reconfigure the counting period to avoid exceeding the 15-bit count limit (32,767 pulses).
7. Maintenance Best Practices
To maximize the module’s lifespan and reliability:
Routine Inspections: Monthly checks to verify LED status, secure wiring, and intact cable shields.
Cleaning: Use a dry, lint-free cloth to remove dust—avoid solvents that damage plastic components.
Calibration: Factory-calibrated; no user calibration required. Contact Emerson support for accuracy verification if issues arise.
Replacement: When replacing, use an identical 1C31147G01 and re-pair it with the original personality module. Reconfigure the controller with the same filter and debounce settings.

Contact Cheryl Qi
Email:chen@htechplc.com
Mobile/Whatsapp/Wechat:+8618150137565
➱If you can't find the parts you need, don't hesitate to contact us !!!
❏Availability : In stock // ❏Payment : 100% T/T for stock items before shipping
❏Warranty : One year warranty // ❏Service : 24/7 Online Service
Fast quotation, Quick answer
We will solve your problem before and after sales
All inquiries will be valued and will reply in 24 hours.
Brand | Series |
Bently Nevada | 3500 Series, 3300 Series, 3300 XL Proximity Probe, Transducer, Sensor, 3300 XL Extension Cable, 990 Vibration Transmitter |
ABB | ABB System 800xA, H&B Freelance 2000, Advant OCS and Advant-800xA, Bailey INFI 90, Master Series, Proconic CS31: Robots Spare Parts |
Honeywell | Experion PKS, TDC 3000, Safety Manager, FSC (Fail Safe Controller) |
Emerson | Emerson DeltaV Safety Instrumented System, Emerson Ovation distributed control system, EPRO (Emerson): PR6423 Eddy Current Sensors, PR9268 Electrodynamic Velocity Sensors |
General Electric (GE) | GE 90-30 Series PLC, GE 90-70 Series PLC, GE PACSystems RX3i, GE PACSystems RX7i, GE Genius I/O, GE Mark VIe (for turbine and process control), GE Multilin (for protection and control of industrial equipment) |
Allen Bradley | 1756 Series (ControlLogix), 1771, 1785 (PLC-5 I/O Modules, Controllers), 1747, 1746 (SLC 500 Controllers, I/O Modules), 1769 Series (CompactLogix), 1794 Series (Flex I/O), 2711P Series (PanelView Plus), Rockwell ICS Triplex Regent |
Schneider | Foxboro I/A Series: Triconex Safety Systems (Tricon CX and Trident), Triconex Tricon CX, Triconex Trident |
Siemens | SIMATIC S7 Series (S7-200, S7-300, S7-400, S7-1200, S7-1500), 6ES5 Series (SIMATIC S5), Siemens Moore, Modicon Series (Modicon Quantum) |
content is empty!