| Availability: | |
|---|---|
IMCIS02
ABB
Overview
The IMCIS02 is a multi-functional Control I/O Slave module designed for ABB’s Infi 90® Process Management System, serving as a critical interface between the system and industrial process field devices. The IMCIS02 integrates both analog and digital I/O capabilities, enabling bidirectional signal transmission: acquiring process data from field sensors and sending control signals to actuators. The IMCIS02 is engineered to support mixed-signal industrial applications, combining flexibility, isolation, and reliability for process monitoring and control.
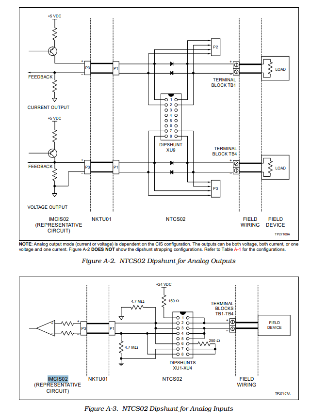
Physically, the IMCIS02 occupies one slot in a standard Infi 90 Module Mounting Unit (MMU) and features a single printed circuit board (PCB) with dedicated circuitry for analog and digital signals. Key hardware includes a front-panel status LED (red/green) for operational feedback, three dipswitches (S1 for address, S2 for analog output defaults, S3 for analog output mode), and seven jumpers (J1-J7) for digital input configuration. The IMCIS02 connects to external signals via three card-edge connectors: P1 (logic power: +5 VDC, ±15 VDC), P2 (Slave Expander Bus communication), and P3 (analog/digital I/O signals, plus +24 VDC from termination devices).
The IMCIS02 is certified for non-hazardous locations (CSA C22.2 No. 1010.1-92) and operates in harsh industrial environments (0–70°C ambient temperature, 0–95% non-condensing humidity). The IMCIS02 provides 300 V RMS optical isolation between field circuits and module logic, preventing fault propagation and ensuring compliance with industrial safety standards. Compatible with Infi 90 termination devices (NTCS02 Termination Unit, NICS01 Termination Module) via dedicated cables (NKTU01/NKTU02/NKTM01), the IMCIS02 communicates with master modules (e.g., Multi-Function Processor/IMMFP01/02) via the Slave Expander Bus, using a unique 6-bit address (0–63, set via dipswitch S1) for data routing accuracy.






Core Functionality
2.1 Mixed Analog & Digital I/O Acquisition & Control
The IMCIS02’s primary role is to handle both analog and digital signals, enabling comprehensive process integration. It supports 4 analog inputs, 2 analog outputs, 3 digital inputs, and 4 digital outputs—catering to diverse industrial sensor/actuator types.
2.1.1 Analog I/O Capabilities
Analog Inputs (4 Channels):
Accepts 1–5 VDC signals (single-ended or differential) directly, or 4–20 mA current signals via termination devices (NTCS02/NICS01), which convert current to voltage using on-board resistors.
Features 12-bit A/D conversion for high-precision data acquisition, with a nominal input range of 1–5 VDC (±6.25% overrange: 0.75–5.25 VDC) to accommodate signal fluctuations.
Built-in calibration: Automatically calibrates zero (1 VDC) and full-scale (5 VDC) points using internal reference voltages, read by the master module (MFP) every minute to correct for drift and temperature variations (0.002% FSR/°C).
Noise rejection: Two-pole input filters provide 76 dB normal mode rejection (differential noise) and 90 dB common mode rejection (±10 VDC common voltage), ensuring signal integrity in noisy industrial environments.
Analog Outputs (2 Channels):
Configurable output modes (via dipswitch S3): 4–20 mA current or 1–5 VDC voltage, supporting actuators like valves, pumps, or variable-speed drives.
10-bit D/A conversion for accurate signal generation, with load compatibility: 600 Ω max (current mode) or 1 kΩ min (voltage mode).
Default state control (via dipswitch S2): Sets outputs to 0% (4 mA/1 VDC), 100% (20 mA/5 VDC), or “hold” during system startup or master module communication failure (time-out). Output feedback loops (fed back to analog input circuitry) enable the master module to verify output accuracy and detect faults (e.g., open circuits).
2.1.2 Digital I/O Capabilities
Digital Inputs (3 Channels):
Supports multi-voltage signals: 24 VDC, 125 VDC, or 120 VAC (±10% tolerance), compatible with mechanical switches, contactors, or proximity sensors.
Configurable response time (via jumpers J4-J6): “Fast” (1.5 ms) for time-critical applications or “Slow” (17 ms) to filter contact bounce from mechanical devices.
Optical isolation and current limiters protect module logic from field transients, with threshold detection (e.g., min 21.4 VDC for 24 VDC “ON,” max 12 VDC for “OFF”) to avoid false signals.
Digital Outputs (4 Channels):
Provides 24 VDC switching with 250 mA maximum sink current per channel (typical 150 mA), suitable for relays, solenoids, or indicator lamps.
Open-collector transistors with optical isolation prevent cross-talk between channels and isolate field faults (e.g., short-circuits) from the Infi 90 system. Leakage current is minimized (max 10 µA @ 70°C) to avoid unintended device activation.
2.2 Master Module Communication & Data Handling
The IMCIS02 operates as a slave device on the Infi 90 Slave Expander Bus (12-line synchronous parallel bus), enabling seamless bidirectional communication with master modules (e.g., IMMFP01/02):
Address & Function Code Integration: A unique 6-bit address (set via dipswitch S1, 0–63) links the module to the master. Master modules access the IMCIS02 via Function Code (FC) 79 (specification 1 = module address), reading/writing I/O data and status information.
Data Transmission:
I/O Data: The master reads 12-bit analog input counts (4 inputs + 2 reference voltages + 2 output feedbacks), 1-byte digital input states (3 channels), and 1-byte digital output readback (4 channels). It writes 10-bit analog output values (2 channels) and 1-byte digital output commands (4 channels).
Status Data: An 8-bit status byte is transmitted to the master, containing 4 MSBs (module identification) to verify communication integrity and 4 LSBs (analog output default settings) to confirm fault-mode behavior.
Bus Fault Timer: A 10 ms one-shot timer resets with the Slave Expander Bus clock (generated by the master). If communication fails (clock stops), the timer times out—triggering a solid red status LED, de-energizing digital outputs, and setting analog outputs to their default states (configured via S2).
2.3 Configuration Flexibility for Industrial Applications
The IMCIS02 offers extensive configuration options to adapt to diverse process requirements:
Analog Output Configuration:
Mode (S3): Selects current (4–20 mA) or voltage (1–5 VDC) for each output (e.g., Output 1 = current, Output 2 = voltage).
Default State (S2): Defines startup/time-out behavior (0%, 100%, or hold) for each analog output, preventing process upsets during system anomalies.
Digital Input Configuration:
Voltage Level (J1-J3): Sets each input to 24 VDC, 125 VDC, or 120 VAC (e.g., J1 for Input 1, J2 for Input 2).
Response Time (J4-J6): Adjusts debounce filtering (1.5 ms/17 ms) for DC inputs to match field device characteristics (e.g., fast for proximity sensors, slow for mechanical switches).
Termination Compatibility: Works with NTCS02 (dipshunt-configured) and NICS01 (dipswitch-configured) termination devices, which handle field wiring, signal conversion (e.g., 4–20 mA to 1–5 VDC), and power distribution (+24 VDC to the module).
2.4 Fault Detection & Diagnostics
The IMCIS02 includes robust diagnostic features to ensure operational reliability and simplify troubleshooting:
Front-Panel Status LED:
Solid Green: Normal operation (enabled and communicating with the master).
Solid Red: Bus fault/time-out (master communication lost, outputs in default state).
Off: No power or module not enabled (check address, dipshunt, or wiring).
Master Module Error Reporting: The master module (MFP) monitors the IMCIS02 via FC 79 output block N+9 (Logic 0 = good, Logic 1 = bad). It generates errors for:
Missing Slave Module: Address mismatch (S1 vs. FC 79 specification 1) or missing Slave Expander Bus dipshunt.
Analog Input Reference Error: Internal 1 VDC/5 VDC reference voltages out of tolerance, triggering automatic calibration or module replacement.
Output Feedback Verification: Analog outputs include feedback loops to the input circuitry, allowing the master to compare commanded vs. actual output values—detecting faults like open load or short circuits.
2.5 Hot-Swappable & Low-Maintenance Design
Hot-Swapping: The module can be installed or removed from the MMU without powering down the Infi 90 system, minimizing downtime for maintenance. Captive front-panel screws secure the module, and no pre-operational adjustments (e.g., potentiometers) are required.
Preventive Maintenance: Requires only periodic cleaning (static-safe vacuum for dust removal) and tightening of power/ground connections (every 6 months or plant shutdown). Fuse resistors for analog outputs are factory-soldered and not user-serviceable, reducing maintenance complexity.
Backward Compatibility: Integrates seamlessly with legacy Infi 90 systems, supporting master modules like IMMFP01/02 and termination devices, ensuring easy retrofitting or expansion of existing control strategies.
ABB Bailey INFI 90 Series: System Structure & Key Components
The ABB Bailey INFI 90 series is a modular distributed process control system (DCS) tailored for
industrial automation and safety-critical scenarios, featuring a hierarchical architecture that connects
field equipment, slave modules, master controllers, and operator interfaces. At its core, the system
relies on master-slave communication to enable process monitoring and control: the Multi-Function
Processor (MFP: IMMFP01/02) and Network 90 Multi-Function Controllers serve as central master
units, while the IMASI02 (Analog Slave Input Module) acts as a dedicated slave component that
inputs 15 channels of analog signals from field devices (e.g., sensors, Bailey smart transmitters) to the
master controllers. Critical supporting components include termination devices (NTAI05 Termination
Unit, NIAI04 Termination Module) that configure and route field signals to the IMASI02 via specialized
cables (NKTU01, NKTM01), and the Slave Expander Bus (a backplane-mounted parallel bus in the
Module Mounting Unit/MMU) that enables real-time data exchange between the IMASI02 and MFP.
Operator interfaces like the Operator Interface Station (OIS), Configuration and Tuning Terminal (CTT),
and Smart Transmitter Terminal (STT) further integrate with the system—allowing users to configure
the MFP (via FC 132/133), send commands to smart transmitters through the IMASI02, and monitor
process status, while the Controlway and INFI-NET/Plant Loop provide redundant, plant-wide
communication for seamless scalability.
ABB ASM810 Auto Synchronization Module
ABB BRC100 P-HC-BRC-10000000 Harmony Bridge Controller
ABB BRC400 P-HC-BRC-40000000 Bridge Controller
ABB CTB811 Terminal Module
ABB IMDSM04 Pulse input module
ABB MPM810 MCM Processor Module
ABB PDP800 Power Module
ABB P-HB-IOR-8000N200 Gateway Harmony Block Thermal Base
ABB RFO800 P-HB-RFO-80010000 Hnet-S800 Interface PLC Module
ABB SIM810 Serial Interface Module
ABB SPAJ140C-CA Fault Relay
ABB SPASI23 Analog Input Module
ABB SPASO11 Symphony Plus Analog Output Module
ABB SPBLK01 Blank Faceplate
ABB SPBRC410 Symphony Plus Bridge Controller Module
ABB SPDSI14 Digital Input Module
ABB SPDSO14 Digital Input Module
ABB SPFCS01 Frequency Counter Module
ABB SPFEC12 Analog Input Module
ABB SPHSS13 Hydraulic Servo Module
ABB SPNPM22 Network Processor Module
ABB SPSED01(SED01) Digital Input Module
ABB CP800 Communication Processor Module
ABB IMASI13 Analog Input Module
ABB HC800 Control Processor Module
ABB BRC400 Bridge controller
ABB IMMFP02 Multi-Function Processor Module
ABB IMMFP12 Multifunction Processor Module
ABB INNIS01 Network Interface Slave Module
ABB INNIS11 Network Interface Module
ABB INNIS21 Network Interface Module
ABB INICT13A Infi-Net to Computer Transfer Module
ABB CRBX01 SYMPHONY PLUS REPEATER MODULE
ABB SPIET800 Ethernet CIU Transfer Module
ABB SPNIS21 Network Interface Module
ABB SPSET01 Symphony Plus Sequence Of Events Time Sync Module
ABB SPDSI22 Digital Input Module
ABB RFO810 Fiber Optic Repeater Module
ABB RMU811 Symphony Plus Repeater MTG Base
ABB TER800 Bus Terminator
ABB PHARPS32200000 Power Supply Module
ABB NKLS01-L15 PC CARD
ABB NKLS01-L19 INFI-Net Interface Cable
ABB NTAI02 Analog Input Termination Unit
ABB NTAI03 Analog Input Termination Unit
ABB NTAI04 Termination Unit
ABB NTAI06 Universal Analog Input Termination Unit
ABB NTAM01 Analog Master Termination Unit
ABB NTCS04 Control I/O Termination Unit
ABB NTDI01 Digital Interface Termination Unit
ABB NTMF01 Multi Function Termination Unit
ABB IPMON01 Power Monitor Module
ABB NTMP01 Multi-Function Processor Termination Unit
ABB PHARPS32010000 Power Supply
ABB PHARPSCH100000 Power Supply Chassis
ABB PHARPSFAN03000 Cooling Fan Assembly
ABB P-HA-RPS-PEP21013 Power Supply Module
ABB NTRO02-A Bailey Relay Output Board
ABB IEMMU01 Module Mounting Unit
ABB IEMMU21 Module Mounting Unit
ABB IEPAS02 AC System Power Supply
content is empty!