| Availability: | |
|---|---|
10101/2/1
Honeywell
Description
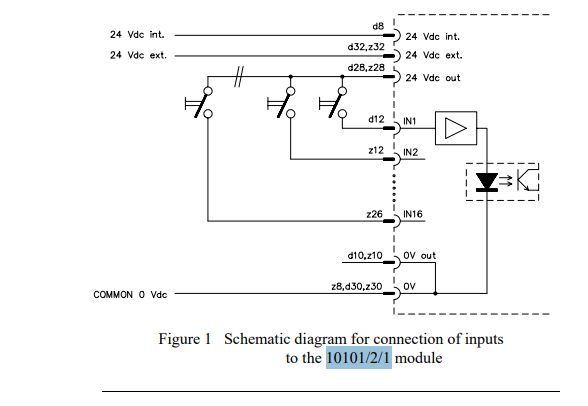
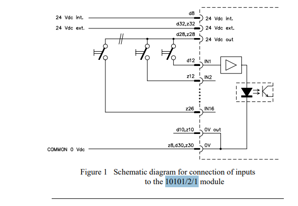
The 10101/2/1 fail-safe digital input module features sixteen 24 Vdc digital input channels. Its input
stage is inherently fail-to-safe, meaning any component failure will trigger a de-energized input
signal to the processor—this serves as the safe state for normally energized systems.
All other logic circuitry on the module is fully covered by the system’s built-in self-test functions.
Within the configured process safety time, the module undergoes comprehensive testing for:
Ability to detect logic level '0' signals
Ability to detect logic level '1' signals
Absence of crosstalk between individual input channels
Pin Allocation and Connection Examples for the 10101/2/1 Fail-Safe Digital Input
Module


Technical data


HONEYWELL | |||
51109693-100B | 51305557-100 | 51403422-150 | 10311/2/1 |
51196990-500 | 51305776-100 | 51402455-100 | 100-34702-001 |
51204160-175 | 51309204-175 | 51404092-200 | 620-0041 |
51204162-175 | 51402497-200 | 51304690-100 | 620-1633 |
51204172-175 | 51309276-150 | 51404092-100 | 621-1151 |
51303932-476 | 51401635-150 | 10001/R/1 | 621-1160 |
51303940-250 | 51401642-150 | 10005/1/1 | 621-2150 |
51304337-150 | 51402573-250 | 10020/1/2 | 620-1690 |
51304362-350 | 51196655-100 | 10024/I/F | 80366481-175 |
51304453-150 | 51402615-400 | 10100/2/1 | 80363969-150 |
51304754-150 | 51304511-200 | 10101/2/1 | 80363972-150 |
51305348-100 | 51304903-200 | 10105/2/1 | 80363975-150 |
51305430-100 | 51304907-200 | 10201/2/1 | SP724-Y01A 51198947-100K |
51305072-100 | 51305072-200 | 10205/2/1 | ACX631 51109684-100 |
51305072-300 | 51305508-200 | 10300/1/1 | ACX631 51198947-100B |
51204166-175 | 51402199-100 | 10310/2/1 | ETC... |
content is empty!